一、視頻實拍
二、產品簡介
WMD15~50系列電子遠傳水表是一種沒有計數器的全電子式水表,用于測量流經自來水管道飲用水的用量,口徑大小為15~50mm,生產標準是ISO4064。
三、產品特點
1. 超低功耗與長壽命設計,,電路終生免維護;
2. 液晶數字化直接讀數,準確顯示計量信息;
3. 采用先進的數據編碼和驗證技術,通訊可靠性高;
4. 滿足EMC/ESD/EMI要求,電子產品電磁兼容性設計要求達到行業內優秀水平;
5. 防水等級可達IP68級,適合各種復雜的場所使用;
6. 防滴漏、防倒流;
7. 高靈敏性和高耐磨性結構設計,使用壽命長;
8. 防外磁干擾;
9. 與流量計相同的功能;
10. 表殼的長度有多種可供選擇;
11. 表殼材料為銅或者鐵;
12. 本水表還可實現無線傳輸;
13. 符合ISO4064 B級或C級標準或R80,R100,R125,R160;
14. 可適用于冷水≤50℃,熱水≤90℃;
15. 水壓≤1MPa或1.6MPa (即10bar或16bar)。
四、流量技術參數
| 公稱口徑 | 英寸 | 計量等級 | Qmax | Qn | Qt | Qmin | 最小讀數 | 最大讀數 |
| 大流 | 常用流量 | 分界 | 下流 | |||||
| DN(mm) | m3/h | L/h | m3 | |||||
| 15 | 1/2" | B | 3 | 1.5 | 120 | 30 | 0.00005 | 99999 |
| C | 22.5 | 15 | ||||||
| 20 | 3/4" | B | 5 | 2.5 | 200 | 50 | 0.00005 | 99999 |
| C | 37.5 | 25 | ||||||
| 25 | 1" | B | 7 | 3.5 | 280 | 70 | 0.00005 | 99999 |
| C | 52.5 | 35 | ||||||
| 32 | 11/4" | B | 12 | 6 | 480 | 120 | 0.00005 | 99999 |
| C | 90 | 60 | ||||||
| 40 | 11/2" | B | 20 | 10 | 800 | 200 | 0.00005 | 99999 |
| C | 150 | 100 | ||||||
| 50 | 2" | B | 30 | 15 | 3000 | 450 | 0.00005 | 99999 |
| C | 225 | 90 | ||||||
| 公稱口徑 | 毫米(mm) | 15 | 20 | 25 | 32 | 40 | 50 |
| 英寸 | 1/2" | 3/4" | 1" | 11/4" | 11/2" | 2" | |
| Q?(m3/h) | 3.125 | 5 | 7.875 | 12.5 | 20 | 31.25 | |
| Q?(m3/h) | 2.5 | 4 | 6.3 | 10 | 16 | 25 | |
| R80 | Q?(L/h) | 50 | 80 | 126 | 200 | 320 | 500 |
| Q?(L/h) | 31.25 | 50 | 78.75 | 125 | 200 | 312.5 | |
| R100 | Q?(L/h) | 40 | 64 | 100.8 | 160 | 256 | 400 |
| Q?(L/h) | 25 | 40 | 63 | 100 | 160 | 250 | |
| R125 | Q?(L/h) | 32 | 51.2 | 80.64 | 128 | 204.8 | 320 |
| Q?(L/h) | 20 | 32 | 50.4 | 80 | 128 | 200 | |
| R160 | Q?(L/h) | 25 | 40 | 63 | 100 | 160 | 250 |
| Q?(L/h) | 15.62 | 25 | 39.37 | 62.5 | 100 | 156.2 | |
| 最小讀數(m3) | 0.00005 | ||||||
| 最大讀數(m3) | 99999 | ||||||
| 最大承受壓力(MAP) | 16 | ||||||
| 壓損(ΔP) | 63 | ||||||
五、最大允許誤差
① 低區 (Q?≤Q<Q?) 最大允許誤差為±5%
② 高區 (Q?≤Q≤Q?) 最大允許誤差為±2%

六、壓力損失曲線

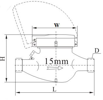
七、外形及規格尺寸

| 公稱口徑 DN | 長 L | 寬 D | 高 H | 連接螺紋 |
| mm | D | |||
| 15 | 165/190 | 98 | 104 | G?B |
| 20 | 190/195 | 98 | 106 | G1B |
| 25 | 260/225 | 103 | 115 | G1?B |
| 32 | 260/230 | 103 | 115 | G1?B |
| 40 | 300/245 | 124 | 153 | G2B |
| 50 | 300 | 124 | 153 | G2?B |
| 280 | 165 | 175 | 法蘭連接 GB 4216.4 | |